Формирование адаптивной траектории обучения в компьютерных системах на основе марковских представлений

 
Аудио генерируется искусственным интеллектом
 38 мин. чтения

Резюме

Контекст и актуальность. Развитие цифровых систем предоставляет новые возможности по автоматизации учебного процесса в средних школах и высших учебных заведениях. Современная организация учебных занятий не всегда позволяет точечно выявлять пробелы в знаниях при решении задач, которые опираются на ранее усвоенные дидактические материалы. В данной статье представлен механизм формирования адаптивной траектории обучения в компьютерных системах на основе марковских представлений для решения задач индивидуализации учебного процесса и выявления пробелов в ранее пройденных учебных материалах. Цель. Разработка механизма формирования адаптивной траектории обучения для индивидуализации процесса освоения учебного материала по математике в компьютерных системах на основе марковских представлений. Гипотеза. Адаптивная траектория обучения позволит индивидуализировать учебный процесс и автоматизировать выявление пробелов у учащихся в ранее пройденных учебных материалах. Методы и материалы. Математическую основу для формирования адаптивной траектории обучения представляет марковский процесс с дискретным количеством состояний и непрерывным временем. Для создания банка задач, ошибок и подсказок были использованы учебные материалы по математике с первого по четвертый класс начальной школы. Результаты. В рамках исследования был представлен механизм по формированию адаптивной траектории обучения в компьютерных системах на основе марковских моделей, который позволяет автоматизировать процесс выявления пробелов в знаниях учащихся за счёт предоставления задач, соответствующих текущему индивидуальному уровню подготовки каждого ученика. Выводы. Разработанный механизм позволяет автоматизировать контроль педагога за успеваемостью учащихся, используя систему в качестве помощника для выявления пробелов в знаниях при решении задач, по ранее пройденным учебным темам.

Общая информация

Ключевые слова: адаптивное обучение, индивидуализация обучения, индивидуальная траектория обучения, марковский процесс, искусственный интеллект

Рубрика издания: Комплексы программ

Тип материала: научная статья

DOI: https://doi.org/10.17759/mda.2025150309

Поступила в редакцию 11.08.2025

Поступила после рецензирования 25.08.2025

Принята к публикации

Опубликована

Для цитаты: Катышев, Д.А. (2025). Формирование адаптивной траектории обучения в компьютерных системах на основе марковских представлений. Моделирование и анализ данных, 15(3), 148–160. https://doi.org/10.17759/mda.2025150309

© Катышев Д.А., 2025

Лицензия: CC BY-NC 4.0

Полный текст

Введение

Внедрение цифровых систем в обучение является важнейшей вехой для решения задач и проблем современной педагогики. Автоматизация процесса контроля за успеваемостью и разработка индивидуальной траектории обучения для каждого ученика призвано улучшить качество образования и снять часть рутинной работы с преподавателя. Использование компьютеризированного адаптивного подхода к задачам психологической диагностики и обучения открыло новые возможности для эффективного обучения (Ермаков, Савенков, Шепелева, 2023). Создание новых математических моделей самообучающихся адаптивных тренажеров привело к появлению новых альтернатив современной теории тестирования (Куравский и др., 2021), а также к появлению новых программных реализаций для автоматизации и адаптации процесса обучения (Поминов, 2020; Ксемидов, Абгарян, 2024). Важность персонализации обучения и создание новых подходов к адаптивному обучению много раз отмечалась в современной литературе (Куравский и др., 2016; Кравченко и др., 2020; Амелина, 2023; Казанцева, 2024; Широколобова, 2024).

Создание механизма формирования адаптивной траектории обучения в цифровых системах призвано предоставить каждому пользователю индивидуальный путь освоения учебной дисциплины. Особую важность здесь принимает фактор предоставления учащемуся только тех задач, которые лучше всего подходят его уровню подготовки. Если пользователю будут предъявляться. одни и те же задания, которые он не может пройти на определенном этапе, то это может негативно сказаться на его мотивации.

Для каждой группы задач в цифровой системе можно определить путь от базовых понятий и заданий к более сложным. Таким образом, возможно охватить весь базовый материал, который требуется для решения выбранной группы задач. Важно отметить, что не всегда есть возможность создать путь обучения для группы особо тривиальных задач. Примером этого может служить сложение и вычитание чисел в первом классе. Если одно задание включает в себя множество математических операций, то оно уже может создать индивидуальный путь обучения для учащегося. Это нужно в ситуации, когда пользователь испытывает трудности с определенным видом математических операций, что так или иначе приводит к неверному ответу в сложных задачах. Не всегда удается интерпретировать ответ пользователя на задачу и связать его с определенной ошибкой. Поэтапное предъявление пользователю несложных для него задач на каждую математическую операцию, при возникновении проблем в задачах с множественными операциями, является одним из вариантов построения адаптивной траектории обучения. Таким образом, можно зафиксировать время выполнения одного типа математической операции, а также сам факт её успешности. Эта фиксация времени дает аналитическую информацию для педагога о том, где в рамках сложной задачи учащийся испытывает трудности.

Формирование адаптивной траектории обучения для каждого состояния марковского процесса предназначено для предоставления новых состояний и соответствующих переходов между ними в соответствии с текущими знаниями пользователя. Одним из ключевых параметров при выбранной реализации остается время пребывания в каждом из состояний. На основе неё формируется аналитическая информация, для педагога. Из-за разной степени подготовки учащихся, у большинства пользователей траектория обучения в рамках марковского процесса будет различна. Исключением здесь являются только отличники, которые могут пройти все состояния марковского процесса без выбора неверного варианта ответа, что, в результате, приведет к фиксированному количеству пройденных состояний.

Материалы и методы

Для формирования адаптивной траектории обучения в цифровой системе за математическую основу взят марковский процесс с дискретным количеством состояний и непрерывным временем (Артеменков и др., 2017). Модель (рис. 1) включает в себя состояния процесса и интенсивность переходов между ними и описывает динамику взаимодействия пользователя с системой, путем постепенного прохода пар состояний марковского процесса слева-направо. Парой состояний здесь выступает связка обычного состояния и состояния ловушки. При входе в обычное состояние происходит случайный выбор материалов в виде заданий или вопросов с последующим предъявлением его пользователю в рамках системы. При даче неверного ответа происходит переход в состояние ловушки с последующим корректирующим взаимодействием со стороны системы. Это подразумевает под собой выдачу подсказки или облегчённого варианта задания на основе интерпретации ошибочного ответа пользователя. При повторном неверном ответе пользователь остается в ловушке до дачи верного ответа на представленную задачу. Дав верный ответ, он переходит назад в обычное состояние. При даче верных ответов в обычных состояниях он переходит в следующую пару состояний. С каждой парой растет не только сложность, но и трудность представленных пользователю материалов.

рис. 1
Рис. 1. Марковский процесс с дискретными состояниями и непрерывным временем

Fig. 1. Markov process with discrete states and continuous time

Где { x i } i = 0 , , n и { x i } i = 0 , , n - состояния процесса,
λ = - интенсивности переходов между состояниями.

Представленные в работах Л.С. Куравского (Куравский и др., 2017; Куравский и др., 2022) вероятности пребывания в состояниях процесса, как функции времени, определяются следующей системой обыкновенных дифференциальных уравнений Колмогорова в матричной форме:

Где 0 t T (T – конечный момент времени),
p ( t ) = – вероятности пребывания в состояниях процесса,
M – матрица интенсивностей переходов между состояниями порядка 2 n + 2 . Переходы между состояниями определяются результатами выполнения заданий.
Определение значений свободных параметров марковской цепи λ = осуществляется путем сравнения наблюдаемых и прогнозируемых распределений частот пребывания в состояниях модели. Для этого определяется набор интенсивностей, обеспечивающий наименьшее значение статистики Пирсона:
где N d = i = 0 n ( F i , d + F i , d ) , F i , d , F i , d – наблюдаемые частоты пребывания в состояниях процесса в моменты времени { t d } d = 0 , , D 1 .

В рамках модели подразумевается, что пары состояний будут содержать материалы, объединённые одним курсом обучения. Это позволяет автоматизировать процесс выявления пробелов в знаниях учащихся и предоставить необходимую аналитическую информацию для учителя. Данная информация формируется на основе времени пребывания пользователя в каждом из состояний марковского процесса, выданных системой типов готовности (не готов, условно готов и готов) формируемых на основе пороговых значений, а также допущенных ошибок. Каждый пользователь системы постепенно проходит пары состояний в определенном порядке слева-направо, что приводит к фиксированному порядку следования тем для каждого учащегося. Из-за этого пользователь с пробелами в знаниях в рамках выбранной темы может застрять в одной из пар состояний и находиться там до истечения времени, отведенного на прохождение всего марковского процесса. Важной информацией для аналитики здесь выступает та пара состояний где остановился пользователь и выбранные им неверные варианты ответов. К сожалению, не всегда получается по неверным вариантам ответов детально определить места где у учащегося сформировались пробелы в знаниях, что требует от учителя провести дополнительное время с ним.

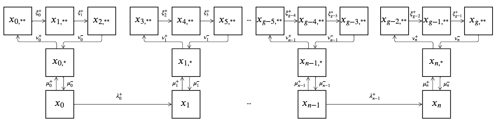
Фиксированность тем для пар состояний не дает возможности по дальнейшему улучшению траектории обучения для учащихся в рамках данной модели. Формирование более адаптивной траектории обучения требует дополнения текущей модели новыми состояниями марковского процесса и переходами между ними. Новые состояния призваны хранить материалы предшествующих курсов обучения, связываясь с ловушками каждой пары состояний (рис. 2).

Рис. 2

Рис. 2. Дополненный марковский процесс с дискретными состояниями и непрерывным временем

Fig. 2. Extended Markov process with discrete states and continuous time

Где { x i } i = 0 , , n и { x i } i = 0 , , n - состояния процесса,
{ x i } i = 0 , , g – добавленные состояния процесса,
λ = - интенсивности переходов между состояниями.
Дополнение марковского процесса новыми состояниями позволило реализовать трехуровневую группировку состояний. Первый уровень состояний   { x i } i = 0 , , n отвечает за предоставление пользователю заданий без поддержки со стороны системы в виде подсказок или иных средств. На основе ответа пользователя решается вопрос перевода его в новую пару состояний или отправки его на верхний уровень. Второй уровень состояний { x i } i = 0 , , n предназначен для пользователей, которые испытывают некоторые трудности с выбранной темой. Это может быть обусловлено трудностью задания выбранной системой или другими факторами где нельзя однозначно сказать, что учащийся испытывает серьезные затруднения в выбранной теме. В рамках этих состояний система выполняет корректирующую роль, призванную указать на ошибку и дать подсказку. Также возможно предоставление облегченных вариантов задач, связанных с выбранной темой. Если пользователь застревает на этом уровне давая неверные ответы, то это свидетельствует о пробелах в знаниях по выбранной теме. Для выявления пробелов в знаниях и формирования адаптивной траектории обучения в рамках выбранной модели добавляется последний уровень состояний. Попадая в него пользователь вынужден последовательно пройти связанные с ловушкой состояния третьего уровня для того, чтобы вернуться назад на второй уровень. На (рис. 2) для каждого состояния ловушки подсоединены три состояния третьего уровня. Количество состояний здесь не обязательно должно быть равно трем. Исходя из предметной области их количество может варьироваться от нуля и выше, так как, формируя марковский процесс для первичного курса выбранной области, не всегда можно выделить задания или вопросы, которые предшествуют им. Работая над третьим уровнем, педагог может сформировать последовательность из заданий и вопросов, которые предшествовали выбранной теме для пары состояний первого и второго уровня, начиная с базовых понятий и завершая заданиями средней сложности. Система на третьем уровне состояний должна предоставить максимальное содействие пользователю в выполнении заданий за исключением предоставления верных ответов на задания. Это подразумевает выдачу пользователю максимально подробной подсказки для решения. Задача этого уровня как можно быстрее выявить пробел, который не позволяет учащемуся продвинуться дальше в рамках марковского процесса.

Адаптивная траектория обучения формируется за счет третьего уровня состояний так как не каждый обучающейся будет переходить на этот уровень из-за разной подготовки. Один учащийся может плохо разбираться в теме второй пары состояний марковского процесса, а другой знать на отлично, что приведёт только к единичному переходу на третий уровень. Отличник может ни разу не перейти на третий уровень во всех парах состояний. Таким образом траектория обучения для каждого пользователя будет различна за счёт разнообразия состояний, которые они проходят. Адаптивность в рамках системы выполняется за счет предоставления пользователю состояний, которые соответствуют его текущему уровню подготовки.

Результаты

В рамках исследовательской работы был доработан прототип веб-приложения тренажера, предназначенный для обучения школьников начальных классов. Для наполнения системы были сформированы материалы на основе заданий по математике с первого по четвертый класс. Материалы для каждого учебного класса группируются по темам начиная с самых легких и заканчивая заданиями повышенной сложности. В случае если тема подразумевает наличие простых и сложных заданий одновременно, более трудные переносятся в состояние ближе к концу марковского процесса. На основе материалов для первого и второго класса были сформированы марковские процессы с 5 парами состояний и переходами между ними (рис. 3).

Рис. 3

Рис. 3. Марковский процесс с пятью парами состояний и переходами между ними

Fig. 3. Markov process with five pairs of states and transitions between them

Для формирования адаптивной траектории обучения следует определить взаимосвязь тем начиная со второго класса с ранее изученными материалами, представленными в парах состояний младших классов. Это позволяет сформировать учебную траекторию для каждой темы пар состояний начиная с простейших заданий и понятий (рис. 4).

Рис. 5

Рис. 4. Трехуровневая группировка состояний марковского процесса

Fig. 4. Three-level grouping of states of a Markov process

Школьнику второго класса, попавшему в состояние 2.3 (рис. 4), система выдает задание формата “Вычисли: 50 + (60 - 20) = ?”. Если он не справляется, то попадает в состояния 2.3 (ловушка) где ему предоставляется индивидуализированная подсказка на основе выбранного варианта ответа пользователя с просьбой повторно решить выбранный вариант задания. Повторно не решив задание, он попадает в адаптивную траекторию обучения для выбранной пары состояний. Состояние марковского процесса с примерами вида “Вычисли: 50 + (60 - 20) = ?” можно связать с ранними состояниями, которые включают в себя работу по сложению и вычитанию чисел, а также с порядком выполнения действий при наличии скобок. Состояние 1.1 в данном случае может включать в себя примеры вида “Вычисли: 50 + 20 = ?” связанные со сложением двухзначных чисел. Состояние 1.4 предоставляет пример вида “Вычисли: 60 – 20 = ?”. Состояние 1.5 предложит выбрать порядок выполнения действий при решении примера со скобками. Проходя данные три состояния, система записывает время нахождения в каждом из них. Это актуально для каждого состояния марковского процесса. Также система выставляет для каждого состояния степень готовности пользователя на основе пороговых значений. Данные значения индивидуальные для каждого состояния и относят его к одному из трех типов: «не готов», «условно готов», «готов». Полученная информация предоставляет учителю подробные данные о местах пробелов своих учеников. Если ученик долго находится в одном из состояний и его соотносят с типом «не готов», то это является важным звонком к необходимости подробно разобрать тему, связанную с выбранным состоянием. Попав из ловушки в адаптивную траекторию обучения, включающую состояния 1.1, 1.4 и 1.5 пользователь вынужден пройти её полностью для того, чтобы он мог вернуться назад.

Обсуждение результатов

Обновление модели прототипа веб-приложения позволило реализовать адаптивную траекторию обучения для каждого пользователя. Теперь пользователю предоставляются состояния марковского процесса, которые наиболее соответствуют его уровню подготовки. Подобная реализация позволяет выявить пробелы в знаниях учеников и, по возможности на основе подсказок, закрыть самые маленькие из них, так как не всегда представляется возможность средствами системы за ограниченный период времени донести необходимую информацию до учащегося.

Подобная система призвана работать в паре с учителем для автоматизации процесса выявления пробелов в знаниях учеников. В рамках статьи приведены простые примеры распределения материалов по состояниям марковского процесса. Каждый пользователь системы может самостоятельно составить свою траекторию обучения для каждой из пары состояний в соответствии со своими потребностями.

В рамках системы каждый пользователь проходит свой путь по состояниям марковского процесса (рис. 5).

Рис. 5

Рис. 5. Адаптивная траектория обучения в рамках системы

Fig. 5. Adaptive learning trajectory within the system

На рисунке выше представлена траектория обучения трех школьников в рамках разработанной системы. Зеленым выделены состояния выхода из марковского процесса по его завершению или истечению времени, выделенному на его выполнение. Первый школьник успешно прошел две пары состояний и испытал трудности с третьей. Ему были предоставлены дополнительные состояния марковского процесса для прохождения и выявления пробелов, которые мешали ему решить задачу из третьей пары состояний. После прохождение трех состояний он вернулся к решению задачи где он допустил ошибку. Решив её, он вернулся в обычное состояние где у него закончилось время. Следующий школьник верно решил первую пару состояний и столкнулся с проблемами во второй. Последний верно решил все пары состояний и ни разу не попал в дополнительные состояния. Таким образом траектория обучения для всех стала уникальной и наиболее соответствовала их подготовке.

Заключение

Внедрение цифровых систем в образование призвано улучшить процесс обучения за счет автоматизации рутинных задач учителя. Выявление пробелов в знаниях учащихся является одной из них. Не всегда представляется возможность детально понять на каком уровне обучения возникли трудности с освоением материала. Это приводит к невозможности решения более сложных задач, идущих дальше по программе. С помощью цифровых систем данный труд можно автоматизировать и предоставить учителю детальную информацию на каком этапе ученик испытывает трудности.

Дополнение марковского процесса новыми состояниями позволило реализовать адаптивную траекторию обучения для каждого обучающегося, предоставляя состояния с задачами, которые наиболее хорошо подходят к индивидуальному уровню подготовки.

Разработанный механизм также позволяет автоматизировать контроль педагога за успеваемостью учеников, используя систему в качестве помощника для выявления пробелов в знаниях при решении задач, основывающихся на ранее пройденных учебных материала.

Литература

  1. Ермаков, С.С., Савенков, Е.А., Шепелева, Е.А. (2023). Анализ возможностей компьютеризированного адаптивного подхода к задачам психологической диагностики и обучения. Экспериментальная психология, 16(3), 182–196. https://doi.org/10.17759/exppsy.2023160312
    Ermakov, S.S., Savenkov, E.A., Shepeleva, E.A. (2023). Analysis the Possibilities of the Computerized Adaptive Approach to the Problems of Psychological Diagnostics and Training. Experimental Psychology (Russia), 16(3), 182–196. (In Russ.). https://doi.org/10.17759/exppsy.2023160312
  2. Куравский, Л.С., Поминов, Д.А., Юрьев, Г.А., Юрьева, Н.Е., Сафронова, М.А., Куланин, Е.Д., Антипова, С.Н. (2021). Концепция адаптивного тренажера и оценка его эффективности в математическом обучении. Моделирование и анализ данных, 11(4), 5–20. https://doi.org/10.17759/mda.2021110401
    Kuravsky, L.S., Pominov, D.A., Yuryev, G.A., Yuryeva, N.E., Safronova, M.A., Kulanin, Y.D., Antipova, S.N. (2021). The Concept of an Adaptive Trainer and Assessing Its Effectiveness in a Mathematical Application. Modelling and Data Analysis, 11(4), 5–20. https://doi.org/10.17759/mda.2021110401
  3. Поминов, Д.А. (2020). Модель процесса адаптивного обучения и его программная реализация. Моделирование и анализ данных, 10(3), 39–52. https://doi.org/10.17759/mda.2020100303
    Pominov, D.A. (2020). Model of Adaptive Learning and His Implementation. Modelling and Data Analysis, 10(3), 39–52. (In Russ.). https://doi.org/10.17759/mda.2020100303
  4. Ксемидов, Б.С., Абгарян, К.К. (2024). Адаптивная интеллектуальная обучающая система. Моделирование и анализ данных, 14(2), 152–165. https://doi.org/10.17759/mda.2024140211
    Ksemidov, B.S., Abgaryan, K.K. (2024). Adaptive Intelligent Tutoring System. Modelling and Data Analysis, 14(2), 152–165. (In Russ.). https://doi.org/10.17759/mda.2024140211
  5. Куравский, Л.С., Марголис, А.А., Мармалюк, П.А., Панфилова, А.С., Юрьев, Г.А. (2016). Математические аспекты концепции адаптивного тренажера. Психологическая наука и образование, 21(2), 84–95. https://doi.org/10.17759/pse.2016210210
    Kuravsky, L.S., Margolis, A.A., Marmalyuk, P.A., Panfilova, A.S., Yuryev, G.A. (2016). Mathematical Aspects of the Concept of Adaptive Training Device. Psychological Science and Education, 21(2), 84–95. (In Russ.). https://doi.org/10.17759/pse.2016210210
  6. Кравченко, Д.А., Блескина, И.А., Каляева, Е.Н., Землякова, Е.А., Аббакумов, Д.Ф. (2020). Персонализация в образовании: от программируемого к адаптивному обучению. Современная зарубежная психология, 9(3), 34–46. https://doi.org/10.17759/jmfp.2020090303
    Kravchenko, D.A., Bleskina, I.A., Kalyaeva, E.N., Zemlyakova, E.A., Abbakumov, D.F. (2020). Personalization in education: from programmed to adaptive learning. Journal of Modern Foreign Psychology, 9(3), 34–46. (In Russ.). https://doi.org/10.17759/jmfp.2020090303
  7. Амелина Ю.М. Оптимизация образовательного процесса: интеграция цифровых образовательных технологий с применением научно обоснованных методов преподавания // Цифровая гуманитаристика и технологии в образовании (DHTE 2023): сб. статей IV Международной научно-практической конференции. 16–17 ноября 2023 г. | Digital Humanities and Technology in Education (DHTE 2023): Сollection of Articles of the IV International Scientific and Practical Conference. November 16–17, 2023. / Под ред. В.В. Рубцова, М.Г. Сороковой, Н.П. Радчиковой. – Москва : ФГБОУ ВО МГППУ, 2023. С. 616–632.
    Amelina Y.M. Optimizing the Educational Process: Integrating Digital Educational Technologies with Evidence-Based Teaching Methods. Digital Humanities and Technology in Education (DHTE 2023), pp. 616–632.
  8. Казанцева О.Г. Персонализированное обучение студентов: результаты эмпирического исследования // Цифровая гуманитаристика и технологии в образовании (DHTE 2024): сб. статей V международной научно-практической конференции. 14—15 ноября 2024 г. / Под ред. В.В. Рубцова, М.Г. Сороковой, Н.П. Радчиковой М.: Издательство ФГБОУ ВО МГППУ, 2024. С. 116–126.
    Kazantseva O.G. Personalized Learning for Students: Results of an Empirical Study. Digital Humanities and Technology in Education (DHTE 2024): Collection of Articles of the V International Scientific and Practical Conference. November 14-15, 2024 / V.V. Rubtsov, M.G. Sorokova, N.P. Radchikova (Eds). Moscow: Publishing house MSUPE, 2024., pp. 116–126.
  9. Широколобова А.Г. Платформенные образовательные решения как инструмент цифровой дидактики // Цифровая гуманитаристика и технологии в образовании (DHTE 2024): сб. статей V международной научно-практической конференции. 14—15 ноября 2024 г. / Под ред. В.В. Рубцова, М.Г. Сороковой, Н.П. Радчиковой М.: Издательство ФГБОУ ВО МГППУ, 2024. С. 249–259.
    Shirokolobova A.G. Platform Educational Solutions as a Tool of Digital Didactics. Digital Humanities and Technology in Education (DHTE 2024): Collection of Articles of the V International Scientific and Practical Conference. November 14-15, 2024 / V.V. Rubtsov, M.G. Sorokova, N.P. Radchikova (Eds). Moscow: Publishing house MSUPE, 2024., pp. 249–259.
  10. Артеменков С. Л. и др. (2017). Марковские модели в задачах диагностики и прогнозирования: Учебное пособие. / Под ред. Л.С. Куравского. – 2-е изд. доп. М.: Изд-во МГППУ. 203 с.
    Artemenkov S. L. i dr. (2017). Markov Models in Diagnostics and Forecasting Problems: Textbook. / Pod red. L.S. Kuravskogo. – 2-e izd. dop. M.: Izd-vo MGPPU. 203 s.
  11. Куравский, Л.С., Артеменков, С.Л., Юрьев, Г.А., Григоренко, Е.Л. (2017). Новый подход к компьютеризированному адаптивному тестированию. Экспериментальная психология, 10(3), 33–45. https://doi.org/10.17759/exppsy.2017100303
    Kuravsky, L.S., Artemenkov, S.L., Yuryev, G.A., Grigorenko, E.L. (2017). A new approach to computerized adaptive testing. Experimental Psychology (Russia), 10(3), 33–45. https://doi.org/10.17759/exppsy.2017100303
  12. Куравский, Л.С., Юрьев, Г.А., Юрьева, Н.Е., Исаков, С.С., Несимова, А.О., Николаев, И.А. (2022). Адаптивная технология психологической диагностики на основе марковских и квантовых представлений процесса выполнения заданий. Моделирование и анализ данных, 12(4), 36–55. https://doi.org/10.17759/mda.2022120403
    Kuravsky, L.S., Yuryev, G.A., Yuryeva, N.E., Isakov, S.S., Nesimova, A.O., Nikolaev, I.A. (2022). Adaptive Technology of Psychological Diagnostics Based on the Markovian and Quantum Representations of the Task Performing Process. Modelling and Data Analysis, 12(4), 36–55. (In Russ.). https://doi.org/10.17759/mda.2022120403

Информация об авторах

Дмитрий Алексеевич Катышев, Аспирант, младший научный сотрудник лаборатории «Информационные технологии для психологической диагностики», Московский государственный психолого-педагогический университет (ФГБОУ ВО МГППУ), Москва, Российская Федерация, ORCID: https://orcid.org/0009-0002-7900-6431, e-mail: katyshevda@mgppu.ru

Вклад авторов

Катышев Д.А. — разработка механизма формирования адаптивной траектории обучения; тестирование; аннотирование, написание и оформление рукописи.

Все авторы приняли участие в обсуждении результатов и согласовали окончательный текст рукописи.

Конфликт интересов

Авторы заявляют об отсутствии конфликта интересов.

Метрики

 Просмотров web

За все время: 190
В прошлом месяце: 16
В текущем месяце: 23

 Скачиваний PDF

За все время: 52
В прошлом месяце: 5
В текущем месяце: 8

 Всего

За все время: 242
В прошлом месяце: 21
В текущем месяце: 31